庆祝四川明晟凯力亚科技有限责任公司从我司订购电子脉冲发生器一台
GB4943.1 D3 电子脉冲发生器
电子脉冲发生器是符合IEC62638和GB4943.1-2022标准要求。用于直流灯抗脉冲能力。
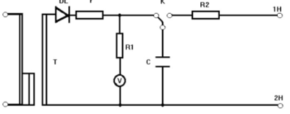
工作原理
电子脉冲发生器的工作原理框图如图一所示,调节变压器T的输入电压。升压后由高压硅DL构成半波整流
电源,经充电电阻r向高压电容C充电,直至3000V,然后由控制回路每间隔一定时间控制放电开关K,使
之放电,于是电容C上储存的能量进行输出,形成冲击电涌波,调节高压变压器T输入电压即可改变充电
直流电压的大小,直流高压经电阻R1分压,由试验电压表直接显示。

技术参数
◆直流高压:1.5-3.5 kV
◆主电容容量:0.42uf± 5%
◆间隔时间:3-99秒
◆冲击次数:1-9999次
◆极 性:正
◆工作电源:单相220V/50Hz
◆功 耗:50 VA
◆外型尺寸(宽、高、深):420×220×480(mm)
◆重 量 :10 kg

仪器图片:

